Thuis / Nieuws

Nieuws

Vaardigheden voor stil kettingonderhoud

Vaardigheden voor stil kettingonderhoud

De ketting is over het algemeen een metalen schakel of ring, die meestal wordt gebruikt voor mechanische overbrenging en tractie. Laten we eens ...

Wat zijn de meest voorkomende oorzaken van schade aan de motorfietsketting

Wat zijn de meest voorkomende oorzaken van schade aan de motorfietsketting

Motorketting , als een gemeenschappelijk apparaat voor transmissiekracht, maakt gebruik van een hyperbolische boog "ketting" -ontwerp om wrij...

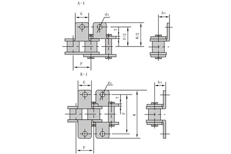
Wat zijn de onderdelen van de rollenketting

Wat zijn de onderdelen van de rollenketting

Wat zijn de onderdelen van de Rollenketting ? 1. Pin-as: een slank cilindervormig element dat wordt gebruikt als rotatie-as...

Fabrikanten van aandrijfkettingen introduceren de relatie tussen ketting en tandwiel

Fabrikanten van aandrijfkettingen introduceren de relatie tussen ketting en tandwiel

Aandrijfketting Fabrikanten hebben geïntroduceerd dat het tandwiel wordt aangedreven door een ketting en dat de modeleenheid over het a...

Fabrikant van landbouwketens introduceert de voorbereiding van de ketting

Fabrikant van landbouwketens introduceert de voorbereiding van de ketting

Landbouwketen De fabrikant introduceert dat de ketting moet worden voorbereid om vóór het starten te controleren of er schroeven in de ...

De fabrikant van de transmissieketting introduceert hoe de ketting moet worden onderhouden

De fabrikant van de transmissieketting introduceert hoe de ketting moet worden onderhouden

Wanneer de ketting wordt onderworpen aan een antiroestbehandeling om het werkingsproces op te lossen, is het noodzakelijk om eerst de beitspasta...

Waarom heeft bladketen veel voorkomende afwijkingen

Waarom heeft bladketen veel voorkomende afwijkingen

Met de voortdurende ontwikkelingstrend op het gebied van roestvrijstalen kettingen worden ook roestvrijstalen kettingproducten op grote schaal g...

Dagelijkse onderhoudsdetails van industriële keten

Dagelijkse onderhoudsdetails van industriële keten

Industriële keten is voordelen en dagelijkse onderhoudsdetails: 1. Als de aandrijfketting niet in de juiste rich...

Fabrikanten van stille kettingen introduceren hoe u op de juiste manier omgaat met de fout van een roestvrijstalen tandwiel

Fabrikanten van stille kettingen introduceren hoe u op de juiste manier omgaat met de fout van een roestvrijstalen tandwiel

Stille ketting Fabrikanten introduceren hoe correct om te gaan met de fout van een roestvrijstalen tandwiel? Observeer ...

Fabrikanten van motorfietskettingen introduceren algemene methoden voor het oplossen van problemen met tandwielen

Fabrikanten van motorfietskettingen introduceren algemene methoden voor het oplossen van problemen met tandwielen

Motorketting Fabrikanten introduceren algemene methoden voor probleemoplossing van het tandwiel: 1. De reden voor het o...

Roller Chain Manufacturers introduceert hoe correct om te gaan met de fouten van het tandwiel

Roller Chain Manufacturers introduceert hoe correct om te gaan met de fouten van het tandwiel

Als het roestvrijstalen tandwiel een fout vertoont, moeten we niet haasten om het op te lossen. Laten we de volgen Rollenketting Fabr...

Fabrikanten van aandrijfkettingen introduceren hoe u beschadigde tandwiellagers snel kunt verwijderen

Fabrikanten van aandrijfkettingen introduceren hoe u beschadigde tandwiellagers snel kunt verwijderen

Aandrijfketting Fabrikanten hebben geïntroduceerd hoe beschadigde tandwiellagers snel kunnen worden verwijderd: 1. Verwijder...