Thuis / Nieuws

Nieuws

Fabrikanten van bladkettingen introduceren de voorzorgsmaatregelen voor het reinigen van de ketting

Fabrikanten van bladkettingen introduceren de voorzorgsmaatregelen voor het reinigen van de ketting

De meeste kettingen op de markt zijn gemaakt van roestvrij staal omdat de grondstof roestvrij staal relatief hard is. Sterk draagvermogen, maar ...

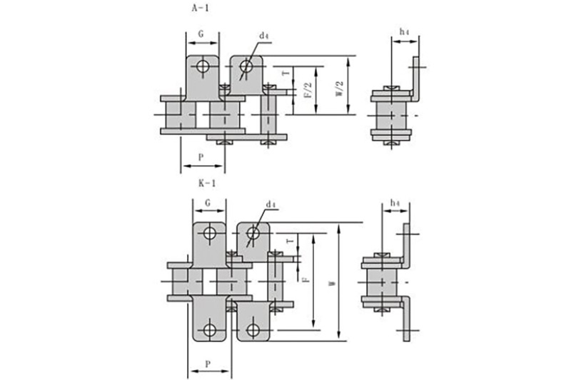
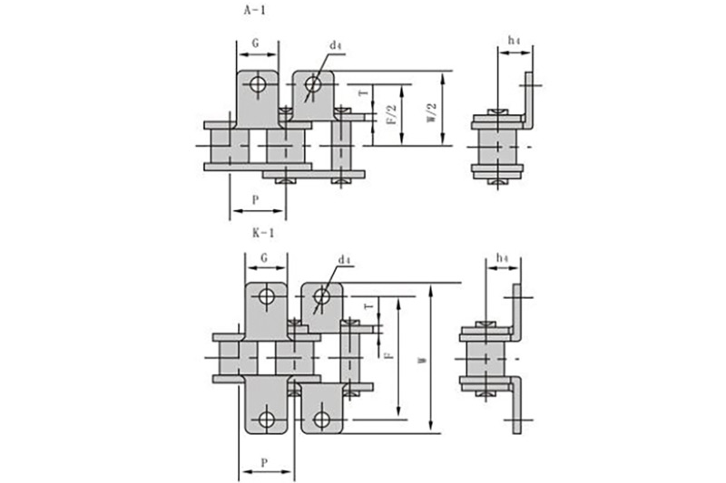
Fabrikanten van industriële kettingen introduceren hoe u het type ketting kunt onderscheiden

Fabrikanten van industriële kettingen introduceren hoe u het type ketting kunt onderscheiden

Transportketting is geschikt voor het bakken van verf, metaalcoating, productie-assemblagelijnen in fabrieken, zoals meubelfabrieken, fabrieken ...

Fabrikant van stille kettingen introduceert redelijke meetmethoden voor kettingen

Fabrikant van stille kettingen introduceert redelijke meetmethoden voor kettingen

Doet Stille ketting Fabrikant introduceert wat redelijke meetmethoden voor kettingen zijn? 1. Om alle speling van de ke...

Fabrikant van motorfietskettingen introduceert de reinigingsmethode voor roestvrijstalen kettingen

Fabrikant van motorfietskettingen introduceert de reinigingsmethode voor roestvrijstalen kettingen

Motorketting Fabrikant introduceert roestvrijstalen ketting als universele transmissieapparatuur. Volgens het ontwerpschema met de hype...

Fabrikanten van rollenkettingen introduceren het principe van tandprofielontwerp van tandwielen

Fabrikanten van rollenkettingen introduceren het principe van tandprofielontwerp van tandwielen

Rollenketting Fabrikanten introduceren de ontwerpprincipes van het tandwieltandprofiel: 1. De vorm van het tandprofiel van he...

Fabrikanten van aandrijfkettingen introduceren de praktische vaardigheden van tandwielen

Fabrikanten van aandrijfkettingen introduceren de praktische vaardigheden van tandwielen

Aandrijfketting Fabrikanten introduceren de praktische vaardigheden van tandwielen: 1. De spanning van het tandwiel moet ges...

Voorzorgsmaatregelen voor het gebruik van de landbouwketen

Voorzorgsmaatregelen voor het gebruik van de landbouwketen

Landbouwketen Fouten kunnen de juistheid van de gereedschapsbeweging beïnvloeden, en in sommige gevallen zijn dit de belangrijkste fac...

Hoe u de transmissieketen op de juiste manier kunt wissen

Hoe u de transmissieketen op de juiste manier kunt wissen

Je kunt ook heet zeepwater of handdesinfecterend middel gebruiken, of een weggegooide tandenborstel of een iets hardere borstel gebruiken. Direct a...

Fabrikanten van transportkettingen introduceren hoe u de ketting dagelijks goed kunt onderhouden

Fabrikanten van transportkettingen introduceren hoe u de ketting dagelijks goed kunt onderhouden

De roestvrijstalen hijsketting kan de lengte van de ketting aanpassen aan de hefhoogte van het hijsobject. Het is een onmisbaar en belangrijk hi...

Fabrikanten van industriële tandwielen introduceren de behandelingstechnieken voor koolstofafzettingen in de ketting

Fabrikanten van industriële tandwielen introduceren de behandelingstechnieken voor koolstofafzettingen in de ketting

Wanneer roestvrijstalen kettingen worden gebruikt in mechanische apparatuur, zal er onvermijdelijk wat vuil aan vastzitten, waarvan de meeste ko...

Fabrikanten van bladkettingen introduceren waarom de ketting zal breken

Fabrikanten van bladkettingen introduceren waarom de ketting zal breken

Bladketting Fabrikanten introduceerden de redenen en oplossingen die ervoor zorgden dat de keten brak: 1. Tijdens het gebruik...

Fabrikanten van industriële ketens introduceren de kenmerken van hoogwaardige ketens

Fabrikanten van industriële ketens introduceren de kenmerken van hoogwaardige ketens

Industriële keten Fabrikanten introduceren de kenmerken van hoogwaardige kettingen: 1. Goede betrouwbaarheid en bescher...