Thuis / Nieuws

Nieuws

De ontwerpfilosofie en workflow van de transmissieketen

De ontwerpfilosofie en workflow van de transmissieketen

Transmissieketting Vermindert, als een gemeenschappelijk transmissiekrachtapparaat, de wrijvingskracht door het "ketting" -ontwerp van ...

Hoe vermindert een rollenketting de opwekking van statische elektriciteit?

Hoe vermindert een rollenketting de opwekking van statische elektriciteit?

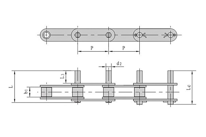
Rollenketting ziet eruit als een tankketting en is samengesteld uit vele schakels. De schakels kunnen vrij draaien. De binnenhoogte, bu...

Leg kort uit waarom de rollenketting gecorrodeerd raakt

Leg kort uit waarom de rollenketting gecorrodeerd raakt

Vanwege de werkomgeving van de Rollenketting Er zal uiteraard enige corrosie optreden, dus wat is de belangrijkste reden dat de rolle...

Fabrikant van aandrijfkettingen introduceert waarom de transporttijd van de ketting vertekend zal zijn

Fabrikant van aandrijfkettingen introduceert waarom de transporttijd van de ketting vertekend zal zijn

Kettingtransmissie en transport kunnen langzaam fouten vertonen. Hoewel het niet erg groot is, zullen er door de accumulatie van de tijd enkele fou...

Hoe u effectief kunt voorkomen dat de transmissieketting defect raakt

Hoe u effectief kunt voorkomen dat de transmissieketting defect raakt

In het productieproces van Transmissieketting Als de keten faalt, moet de producent volgens de specifieke faalvorm de meest geschikte...

Wat zijn de meest voorkomende fouten van transportkettingen

Wat zijn de meest voorkomende fouten van transportkettingen

Transportketting wordt veel gebruikt in industriële ketens, zoals voedseltransportmachines, kunstmesttransportapparatuur, mijnbouwmach...

Voorzorgsmaatregelen voor het onderhoud van de bladketting

Voorzorgsmaatregelen voor het onderhoud van de bladketting

Wanneer Bladketting wordt geïnstalleerd wanneer de ketting wordt geactiveerd, moet worden gecontroleerd of de ketting normaal werkt e...

Hoe een industrieel tandwiel te onderhouden

Hoe een industrieel tandwiel te onderhouden

Bij het onderhoud van Industrieel tandwiel Let op de tandvorm van het tandwiel. De tandvorm van het kettingwiel moet ervoor zorgen d...

Moet het aantal rollenkettingschakels gelijk zijn

Moet het aantal rollenkettingschakels gelijk zijn

Rollenketting De kettinglengte wordt uitgedrukt door het aantal schakels. Het aantal kettingschakels is bij voorkeur een even aantal, ...

Industrieel tandwiel is een massief of spaaktandwiel

Industrieel tandwiel is een massief of spaaktandwiel

Industrieel tandwiel verwijst naar een wiel met tandwielvormige gesptanden, dat wordt gebruikt om in te grijpen in een blok met een na...

Hoe de industriële keten te onderhouden om de levensduur te verlengen

Hoe de industriële keten te onderhouden om de levensduur te verlengen

Industriële keten zal na langdurig gebruik laks worden of zelfs de verbinding verbreken, en hoe kunnen dergelijke problemen worden voo...

Stappen om de motorfietsketting te vervangen

Stappen om de motorfietsketting te vervangen

Wanneer de Motorketting moet worden vervangen, houd er rekening mee dat de ketting en het tandwiel samen moeten worden vervangen. De ...