Thuis / Nieuws

Nieuws

Hoe de kwaliteit van de aandrijfketen te identificeren

Hoe de kwaliteit van de aandrijfketen te identificeren

Hoe te identificeren of de kwaliteit van Aandrijfketting is goed, laten we er samen naar kijken. 1. De kwaliteit van de ket...

Hoe u kunt voorkomen dat de rollenketting gaat roesten

Hoe u kunt voorkomen dat de rollenketting gaat roesten

Rollenketting heeft een grote rol gespeeld in de huidige industriële productie. Na langdurig gebruik zult u merken dat de componenten v...

Fabrikant van landbouwkettingen introduceert de gebruiksvereisten van kettingtransporteurs

Fabrikant van landbouwkettingen introduceert de gebruiksvereisten van kettingtransporteurs

Landbouwketen fabrikant geïntroduceerd dat de kettingtransporteur geschikt is voor uiteenlopende omgevingen en eisen. Concreet kan het ...

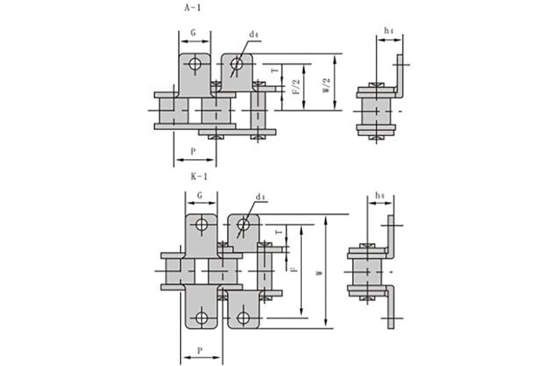
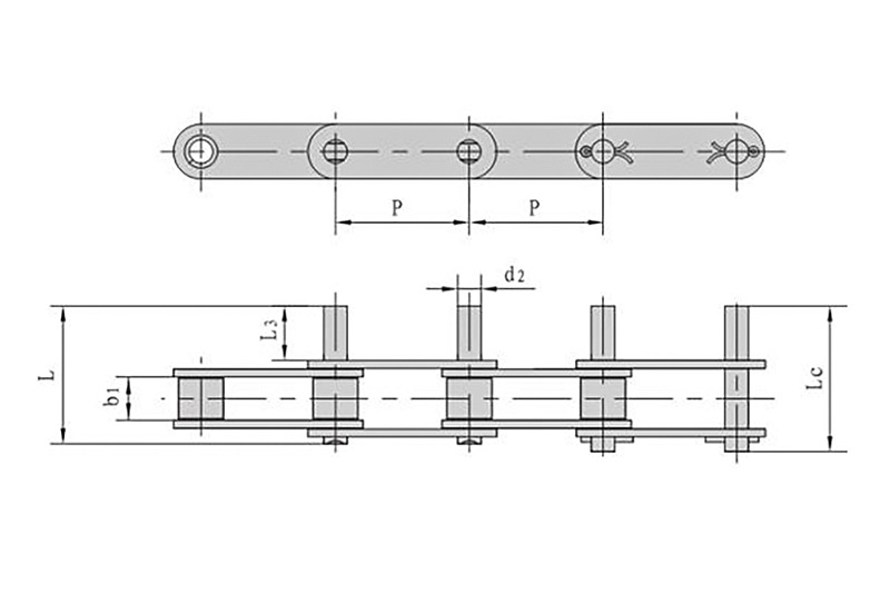
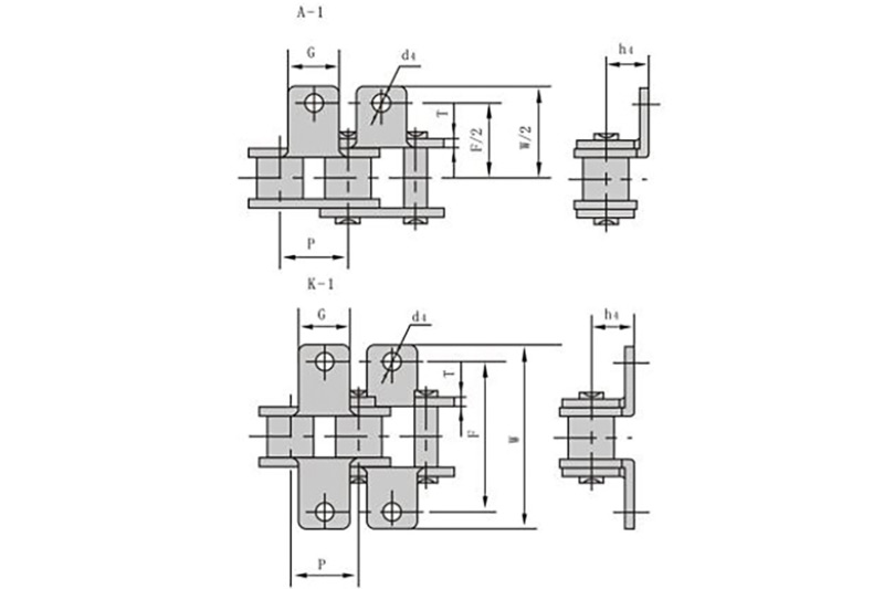
Wat zijn de soorten transmissieketens?

Wat zijn de soorten transmissieketens?

De soorten kettingtransmissieketens kunnen worden onderverdeeld in Transmissieketting , Hefketting en tractieketting. Hefkettingen en...

Gebruikelijke methoden voor het repareren van industriële tandwielen

Gebruikelijke methoden voor het repareren van industriële tandwielen

Industrieel tandwiel is een gemakkelijk te dragen accessoire op industriële machines. Voor versleten tandwielen kunnen we deze op een aantal ...

Onderhoudsmethode voor transportketting

Onderhoudsmethode voor transportketting

Vandaag om de onderhoudsmethode van te delen Transportketting : 1. De spanning van de ketting is een kwestie van belang. Dr...

Fabrikanten van bladkettingen vertellen hoe u op de juiste manier gegalvaniseerde hijskettingen kunt gebruiken

Fabrikanten van bladkettingen vertellen hoe u op de juiste manier gegalvaniseerde hijskettingen kunt gebruiken

Afhankelijk van de hefhoogte van het hijsobject kan de lengte van de ketting worden aangepast om het hijs- en transportproces te voltooien. De g...

Fabrikanten van industriële kettingen delen hoe ze de betrouwbaarheid van vangrailkettingen kunnen beoordelen

Fabrikanten van industriële kettingen delen hoe ze de betrouwbaarheid van vangrailkettingen kunnen beoordelen

Als er gebruik wordt gemaakt van een leuningketting, is de betrouwbaarheid ervan van groot belang. Het volgende Industriële keten De ...

Stille ketting kan worden gebruikt bij de productie van landbouwautomatisering

Stille ketting kan worden gebruikt bij de productie van landbouwautomatisering

Voor Stille ketting , is het nut ervan in alle lagen van de bevolking relatief groot. Onder hen staan ​​onze boerenvrienden dichter b...

Aandachtspunten bij aankoop van een motorketting

Aandachtspunten bij aankoop van een motorketting

Er zijn veel dingen waar u op moet letten bij het kopen Motorketting . Veel zeer professionele mensen begrijpen de methode v...

Roestvlekken op de rollenketting verwijderen

Roestvlekken op de rollenketting verwijderen

Rollenketting heeft een sterke corrosieweerstand, maar wat als er roestvlekken op zitten? Allereerst kunnen we begrijpen dat ...

Hoe olievlekken uit de aandrijfketting te verwijderen

Hoe olievlekken uit de aandrijfketting te verwijderen

Na gebruik Aandrijfketting Als u lange tijd geen aandacht besteedt aan het olie-onderhoud, zal er veel olie of vuil aanwezig zijn. Al...